Mühendisiz Hepimiz Akademi

Elektrik Pano Projesini Okuma,Takip Etme ve Arızasını Bulma

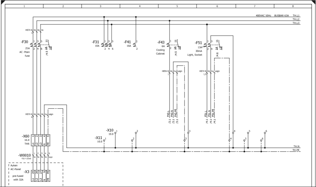
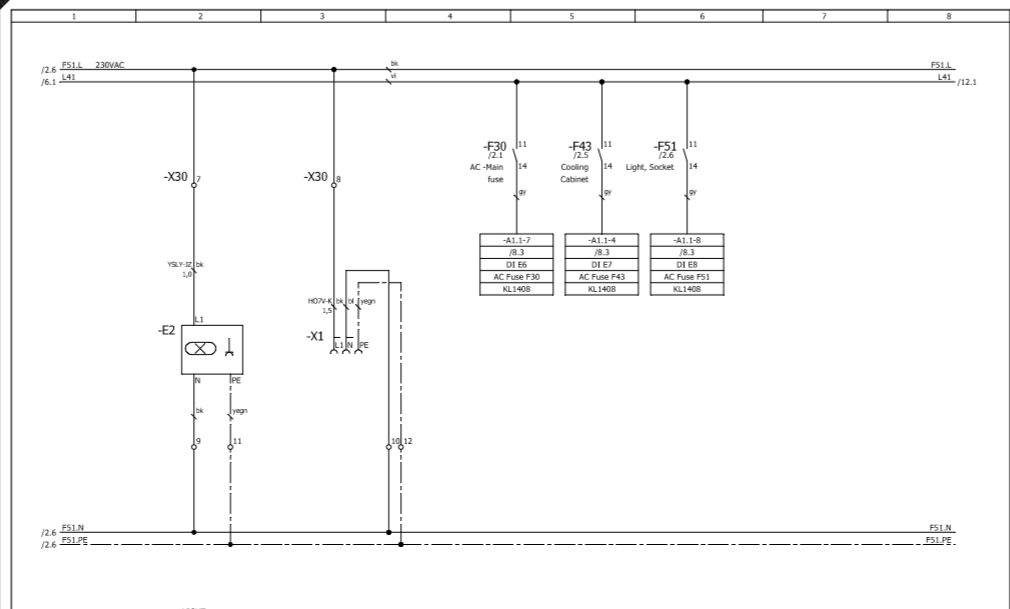
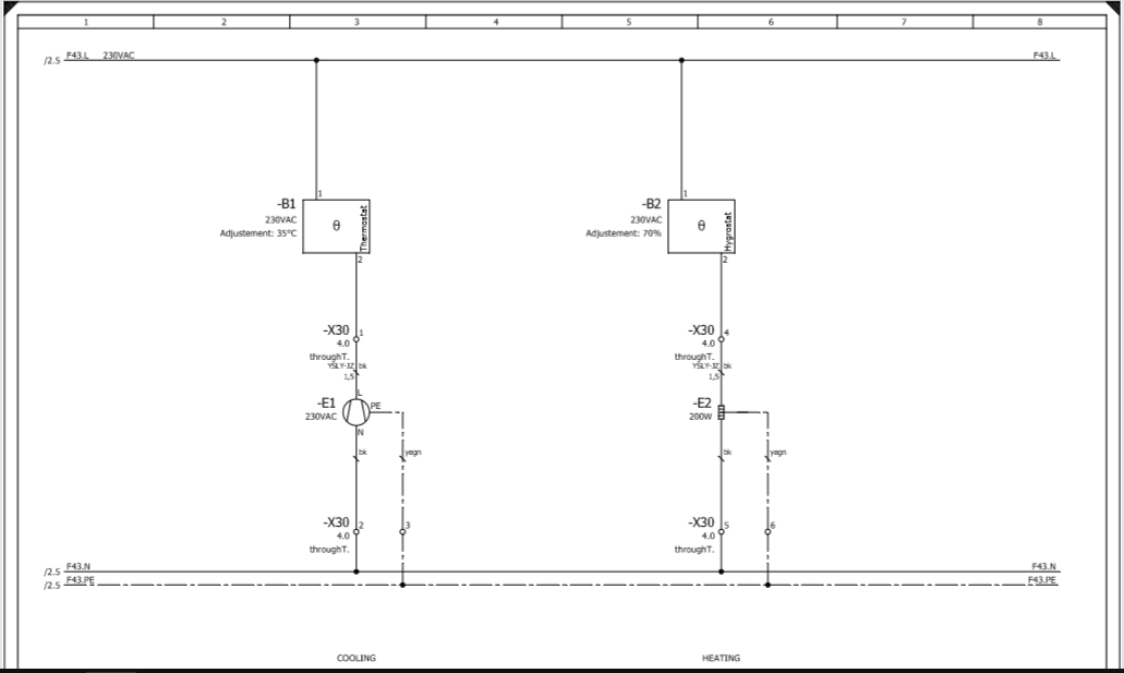
Bu derste AC dağıtım ve soğutma fanı devrelerinin proje üzerinden takibini yaparak, pano üzerinde birebir uygulamalı şekilde inceleyeceğiz. Devrelerin sahada nasıl çalıştığını, bağlantıların pano içinde nasıl takip edildiğini ve uygulama sırasında dikkat edilmesi gereken noktaları ele alacağız.

Exercise Files
AC+2.png
Size: 36,92 KB
AC+dağıtım+1.png
Size: 59,69 KB
AC3.png
Size: 39,63 KB
0% Tamamlandı