Mühendisiz Hepimiz Akademi

Elektrik Pano Projesini Okuma,Takip Etme ve Arızasını Bulma

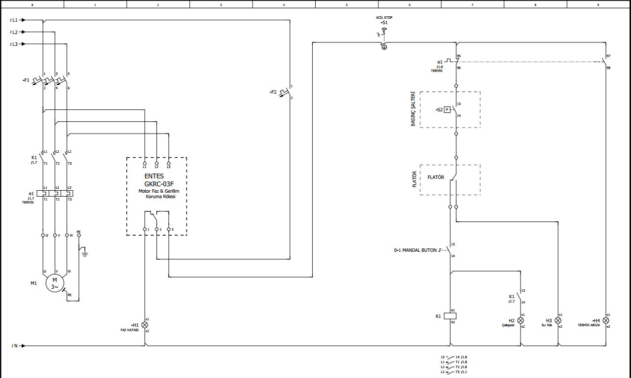
Bu derste şamandıralı motor devrelerinin proje üzerinden nasıl okunduğunu inceleyeceğiz. Şamandıra elemanlarının çalışma mantığı, motorun devreye girme–çıkma koşulları ve kumanda devresinin adım adım nasıl takip edildiği detaylı şekilde ele alınacaktır.

Exercise Files
Şamandıralı+motor+projesi.jpg
Size: 61,86 KB
0% Tamamlandı